这篇文章上次修改于 196 天前,可能其部分内容已经发生变化,如有疑问可询问作者。

在B站上更着机械学霸做SolidWorks机械建模,此篇内容是从第1天到第24天的图纸,时间过得好快啊。所有的建模文件已上传到Github
1拉伸、拉伸切除、筋
2拉伸、分段拉伸、拉伸切除
3拉伸、拉伸切除、新建基准面
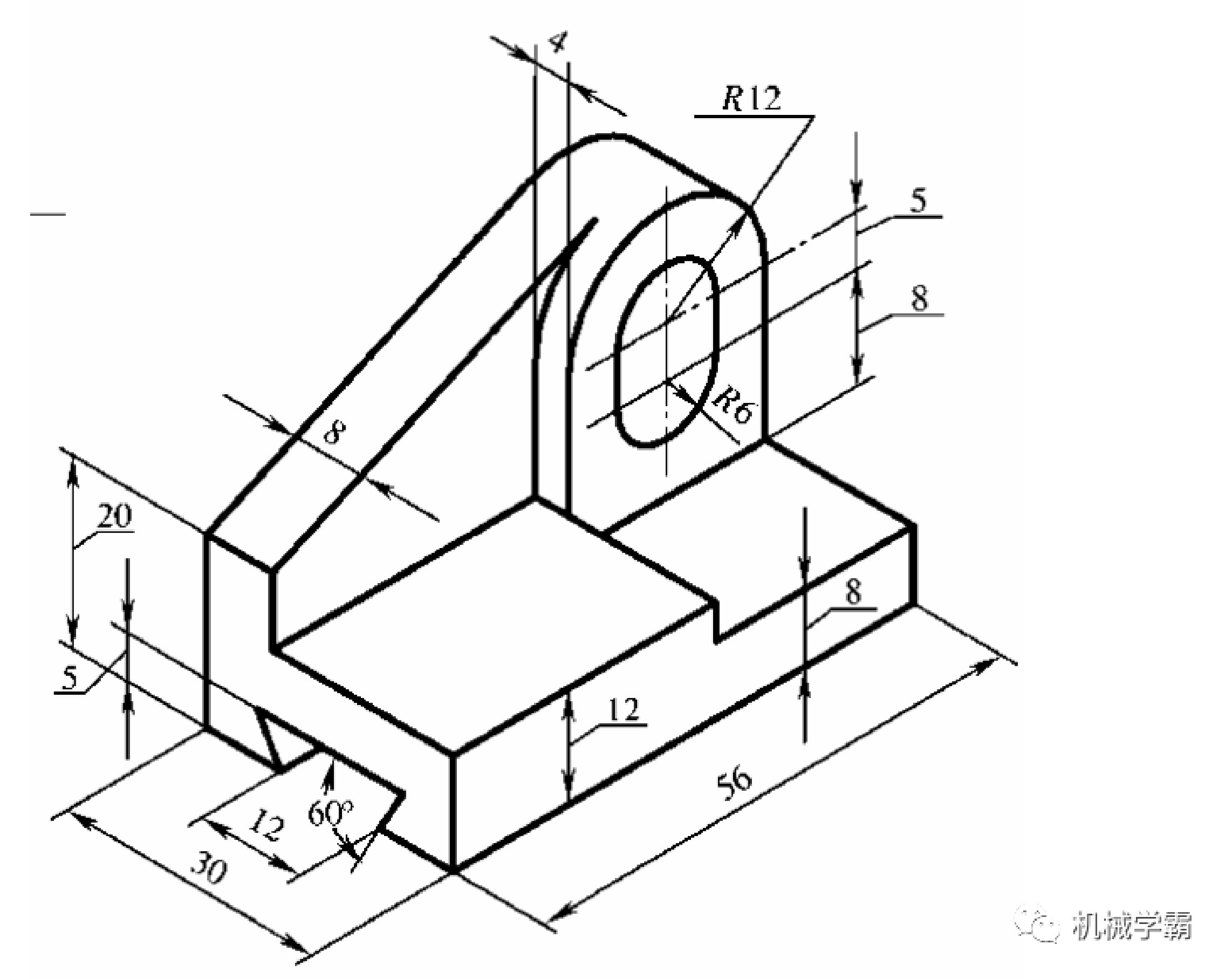
4建模思维、反向切除
5旋转、对称标注、阵列
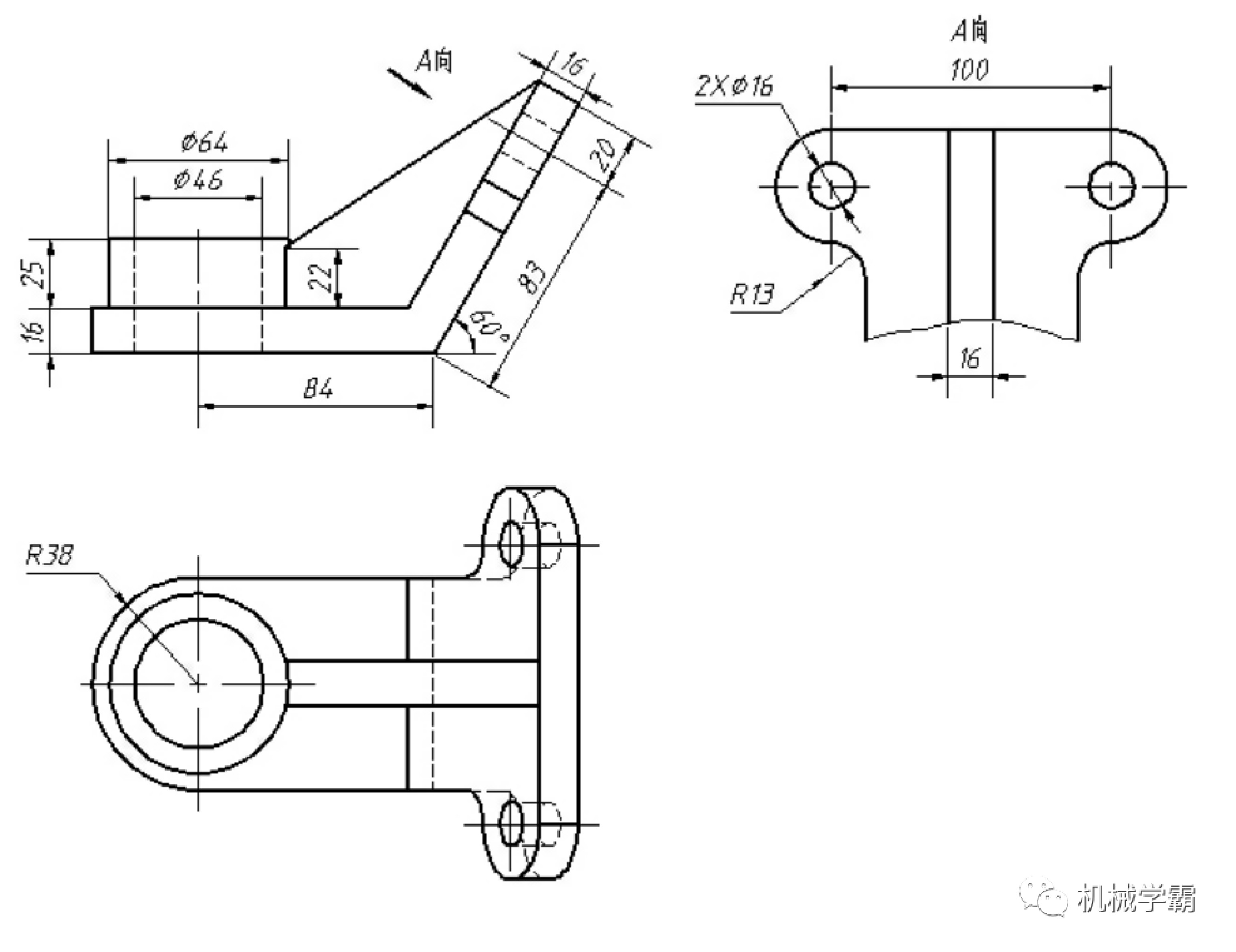
6定义度量单位英寸、键槽、确定好基准点
7拉伸、剪裁、新建角度基准面、倒角
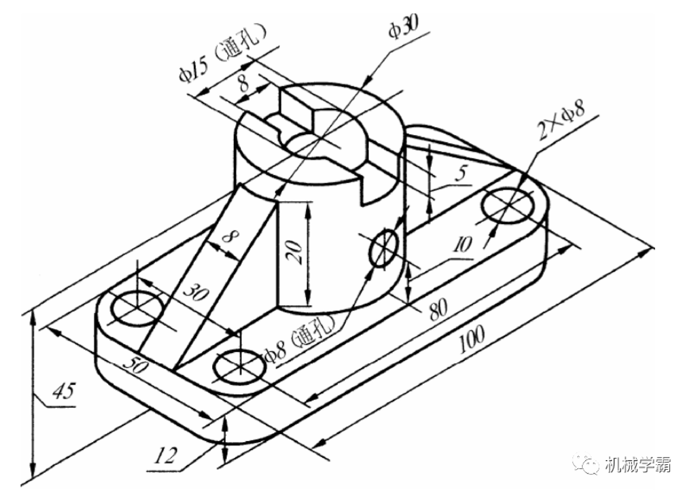
8抽壳、拔模拉伸、旋转
9镜像、旋转、抽壳、拉伸、倒角
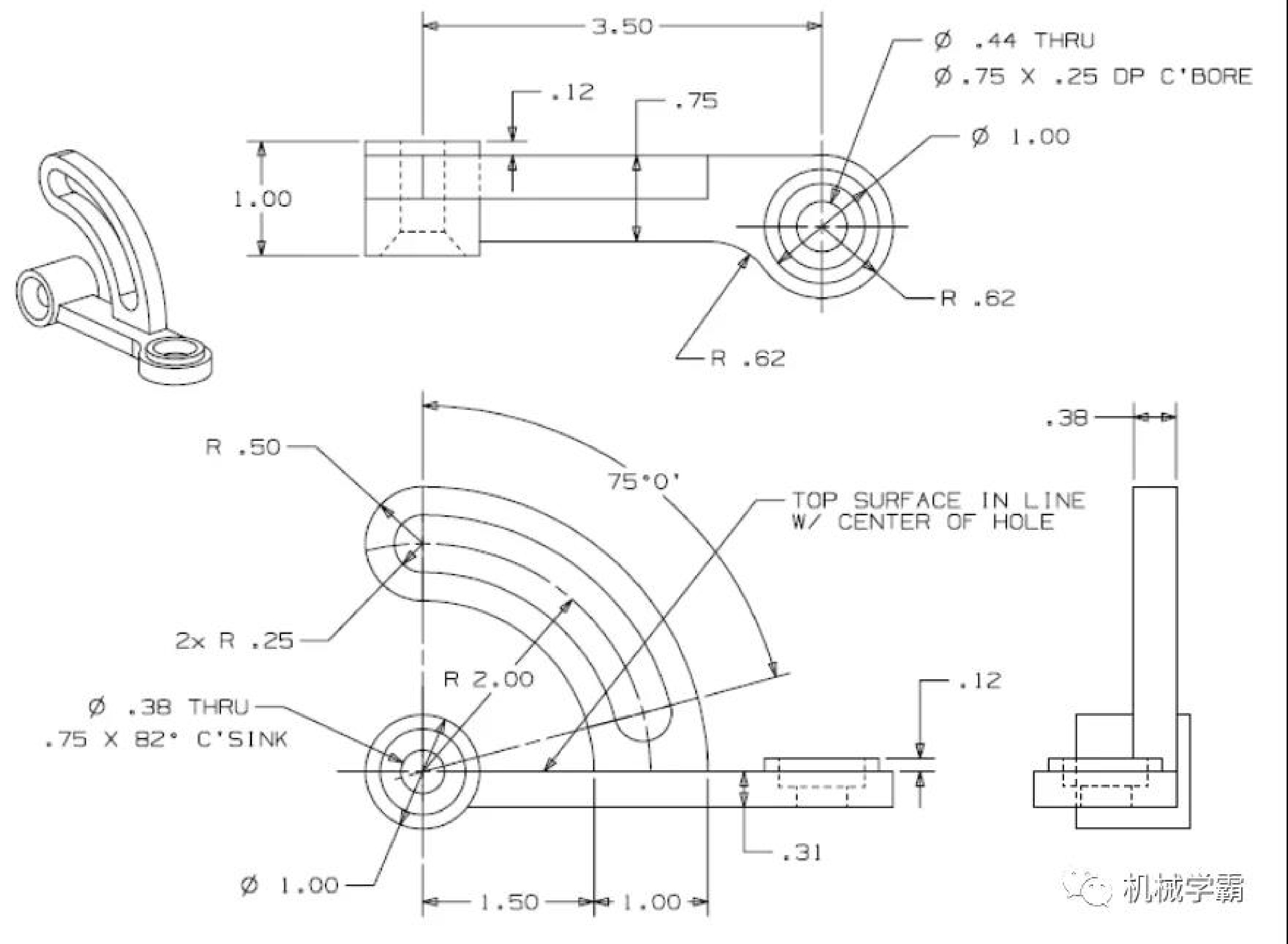
10拉伸、拉伸切除、扫描切除、放样、倒尺寸角
11建模思维、拉伸反向切除
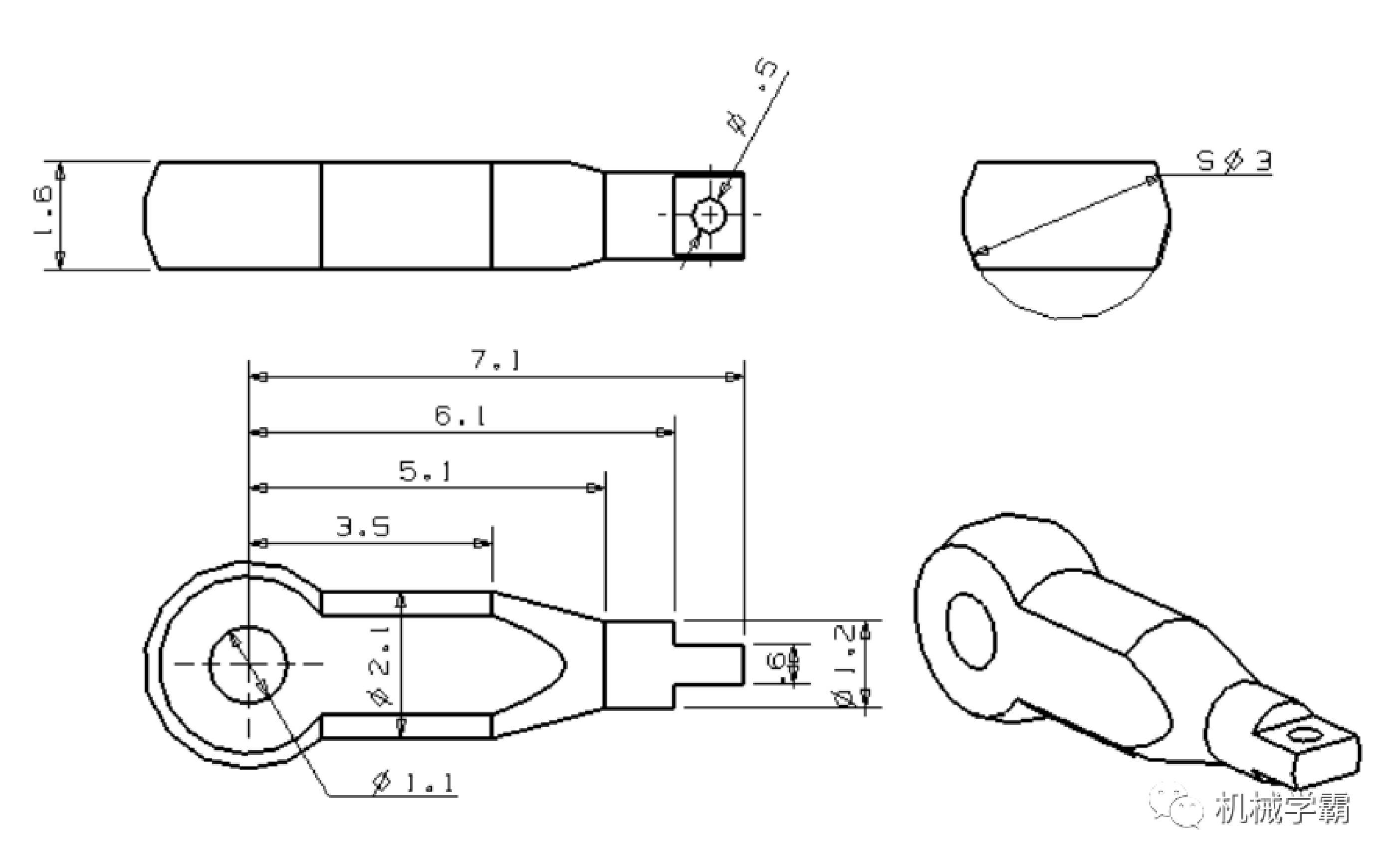
12绘制螺旋线草图、穿透约束
13拉伸、拉伸切除、筋
14拉伸、倒角、抽壳
15拉伸、分段拉伸、角度基准面、筋
16拉伸、放样切除、拉伸切除
17拉伸、拉伸切除
18拉伸、倒角、镜像
19旋转
20拉伸、拉伸切除
21建模技巧、拉伸、拉伸切除
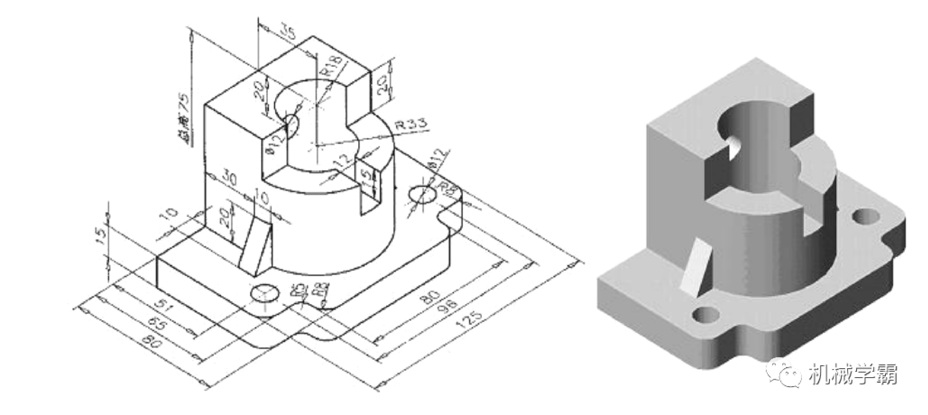
22拉伸、倒角、角度基准面、筋
23建模技巧、旋转、拉伸、分段拉伸、拉伸切除
24旋转、拉伸切除、阵列、镜像